回轉反吹袋式除塵器
- 回轉 反吹袋式除塵器 是我公司參考國內外資料,廣泛調查征求歷年來的用戶意見,凝聚了國內外各類袋式除塵器的優點研制而成的,是將旋風除塵機理和過濾式除塵機理有機組合,采用大氣或...
- 咨詢熱線:13833733360
-
回轉反吹袋式除塵器生產廠家介紹
【回轉反吹袋式除塵器廠家】泊頭市凈化除塵設備廠【20年經驗】,專業做回轉反吹袋式除塵器|價格合理|型號全,質保2年、免費勘測選型設計提供圖紙參數。
回轉反吹袋式除塵器廠家可以根據工況、粉塵顆粒、粉塵濃度、來斷定除塵器的風量、風速、風機功率大小、安裝位置、安裝空間等一系列參數,我們根據以上以上參數來幫你設計、選型、提供結構圖紙、技術參數等,有貴公司審核后我們安排做。
我公司擁有:繪圖部、技術部、研發部、制作部、質檢部、裝配部、安裝部、采購部、銷售部、售后服務部等。
除塵設備制作排序:看圖下料、檢驗下料尺寸、車間焊接、組裝焊接、綜合檢驗、整體完成后試機、噴漆、新產品出爐、發貨、現場安裝、客戶驗收、竣工完成。
擁有設備:除塵骨架拉絲機,骨架焊接機、車床、沖床、剪板機、焊接機、卷管機、等。
擁有:除塵布袋制造車間、除塵骨架制造車間、除塵設備制造車間等。
我們是一條龍制作、銷售、售后服務、質量有保證、中間外協加工少、減少了設備成本、又能控制產品質量、價格合理。
我公司可以提供現場勘測、幫你設計選型、提供結構圖紙、工作原理、技術參數、售前、售后服務貼心。
-
回轉反吹袋式除塵器產品詳情
工作原理:
-
回轉反吹袋式除塵器價格行情
【回轉反吹袋式除塵器價格】根據工況、粉塵顆粒、粉塵濃度、來斷定除塵器的風量、風速、風機功率大小、安裝位置、安裝空間等一系列參數。選用規格型號、過濾面積、過濾風速、除塵器配置等影響本除塵器價格。可以快速準確快速報價、報裸價、含稅含運費價格、價格合理、出廠價、批發價。
我們能提供回轉反吹袋式除塵器價格實時報價,根據現場的詳細參數免費提供方案與成本價格,執行批發價格。同等質量的回轉反吹袋式除塵設備,我們能做到批發價格銷售發貨。

-
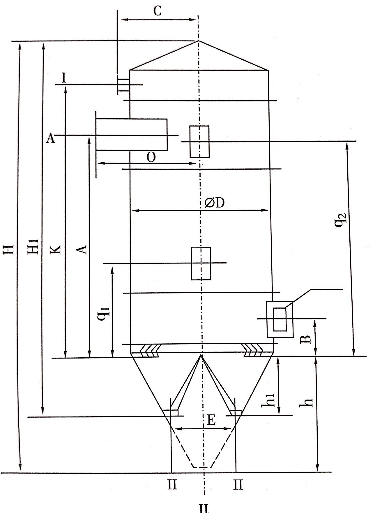
回轉反吹袋式除塵器結構圖紙
回轉反吹袋式除塵器結構圖紙免費提供,下面展示的是常見、常用的回轉反吹袋式除塵器結構圖紙,其它分多個型號規格,是由于網頁空間條件限制不能依依展示,大多數結構圖紙是根據現場的需要專門量身訂做的,上門測量是實地勘測,提供貼切的設計方案。







